Apply Now

Employment Application

Section 1 – Applicant Information
Section 2 – Education & Training
Level Name & Location Years Attended Graduation Date Degree/Certification
High School
College / University
Trade / Technical
Military / Other
Section 3 – Work Experience

Please list your work experience starting with your most recent employer.

Employer 1

Employer 2

Employer 3

Employer 4

Section 4 – Skills, Experience, & Certifications

A. Concrete & Precast Production

B. Equipment Operation

C. Maintenance & Trades

D. CDL / Transportation

E. Quality Control & Documentation

F. Safety & Compliance

G. Additional Certifications or Skills

Section 5 – References
Name Relationship Phone Email
Section 6 – Voluntary Self-Identification (Optional)
Section 7 – Acknowledgment & Authorization

I certify that the information provided in this application is true and complete to the best of my knowledge.

I understand that false or misleading information in my application or interview may result in disqualification or termination.

I authorize Binghamton Precast & Supply Corp. to contact my previous employers, schools, and references to verify the information provided.

Employment with Binghamton Precast & Supply Corp. is at-will, meaning that either the employee or the company may terminate the relationship at any time with or without cause or notice.

Binghamton Precast & Supply Corp. is an Equal Opportunity Employer and complies with all applicable federal and New York State employment laws and regulations.

Binghamton Precast & Supply Corp. is an Equal Opportunity Employer. All qualified applicants will receive consideration for employment without regard to race, color, religion, sex, national origin, age, disability, or any other protected status.

Employment Math Test

Complete each question. Use the provided diagram and ruler for Questions 9 and 10. Type the units requested for each response.

1. 28 / 4 =
2. 5 3/8" - 3 1/8" =
3. 13 + 26 + 48 + 2" =
4. 6'-8 1/2" - 3 3/4" =
5. 8-1/4" + 3-1/2" =
6. (2 + 12 + 16) - 12 =
7. 4 1/2" + 10 1/4" =
8. 8 x 6 =
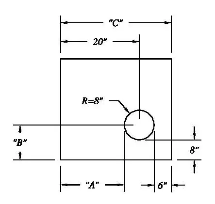
9. Using the diagram (Figure A), fill in the measurements for each of the following:
Diagram showing segments A, B, and C

Figure A shows a layout with measurements A, B, and C.

10. Using the ruler (Figure B), fill in the measurements for each of the following:
Ruler with measurement points A through E

Figure B illustrates a ruler with points A through E.